Descripción

Features
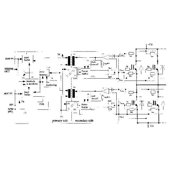
· Double driver for half bridge modules
· SKHI 26 drives all SEMIKRON IGBT’s with VCE up to 1200 V
· SKHI 26 F has fibre optic input
· SKHI 26 W has wire (galvanic) input
· CMOS compatible inputs
· Short circuit protection by VCE monitoring and soft switch off
· Driver interlock top/bottom
· Isolation by transformers
· Supply undervoltage protection (< 13 V)
· Error latch / open-collector output (SKHI 26 W)
· Isolation by transformers
Typical Applications
· High power switches or paralleled IGBTs
· Driver for IGBT modules in bridge circuits in choppers, inverter drives, UPS and welding inverters
Valoraciones
No hay valoraciones aún.